3.31 5G模块接口
正点原子ATK-DLRK3568开发板板载5G接口,如图3.31.1所示:

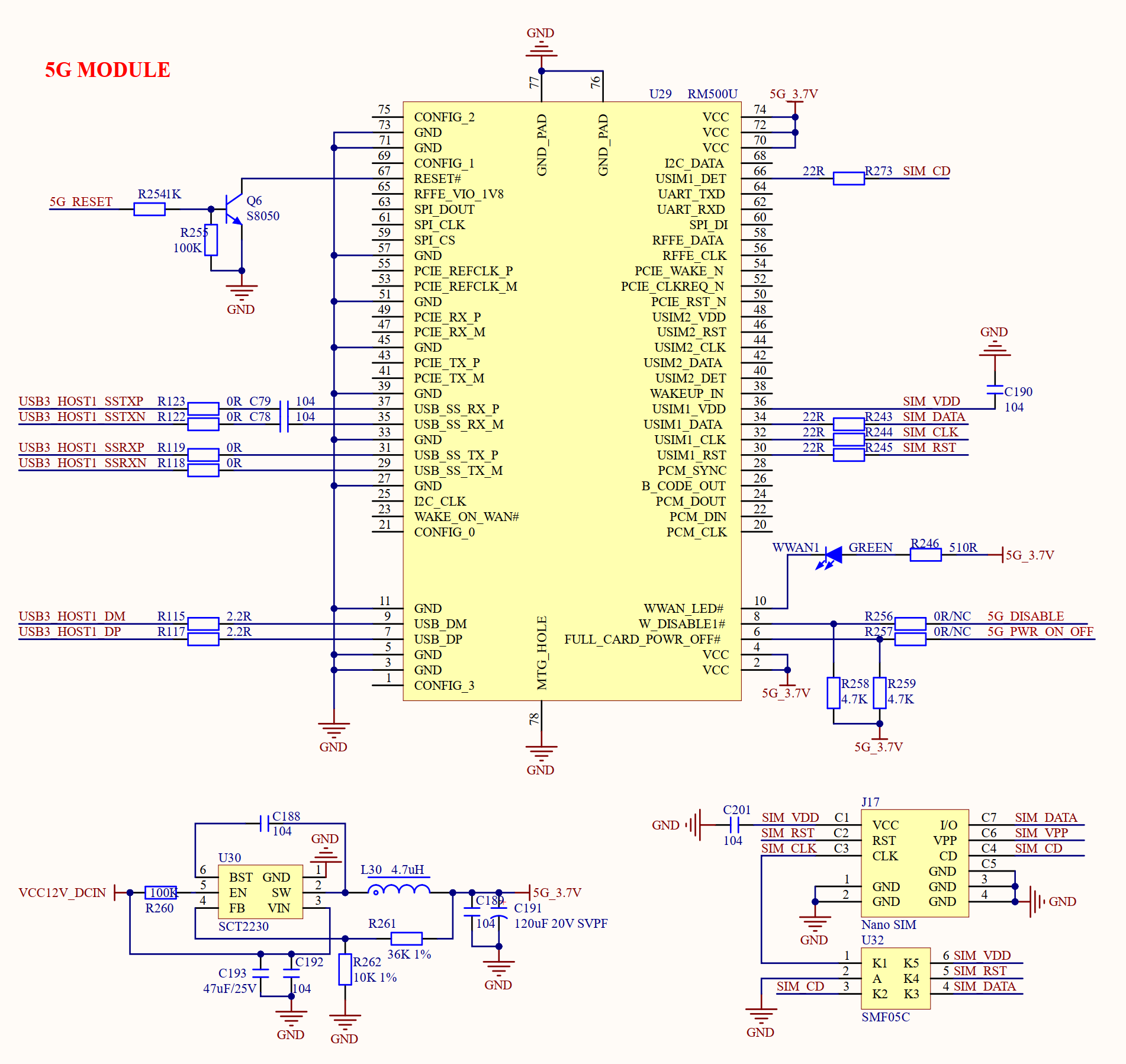
图3.31.1 5G模块
U29就是M_Key接口的5G模块座子,用于连接5G模块,比如移远的RM500U模块。J17是Nano SIM卡座,用于插入Nano SIM卡。虽然5G模组采用M_Key接口,但是实际走的USB接口,5G模组需要连接到USB3.0接口上。
正点原子ATK-DLRK3568开发板板载5G接口,如图3.31.1所示:

图3.31.1 5G模块
U29就是M_Key接口的5G模块座子,用于连接5G模块,比如移远的RM500U模块。J17是Nano SIM卡座,用于插入Nano SIM卡。虽然5G模组采用M_Key接口,但是实际走的USB接口,5G模组需要连接到USB3.0接口上。