3.9 SATA接口
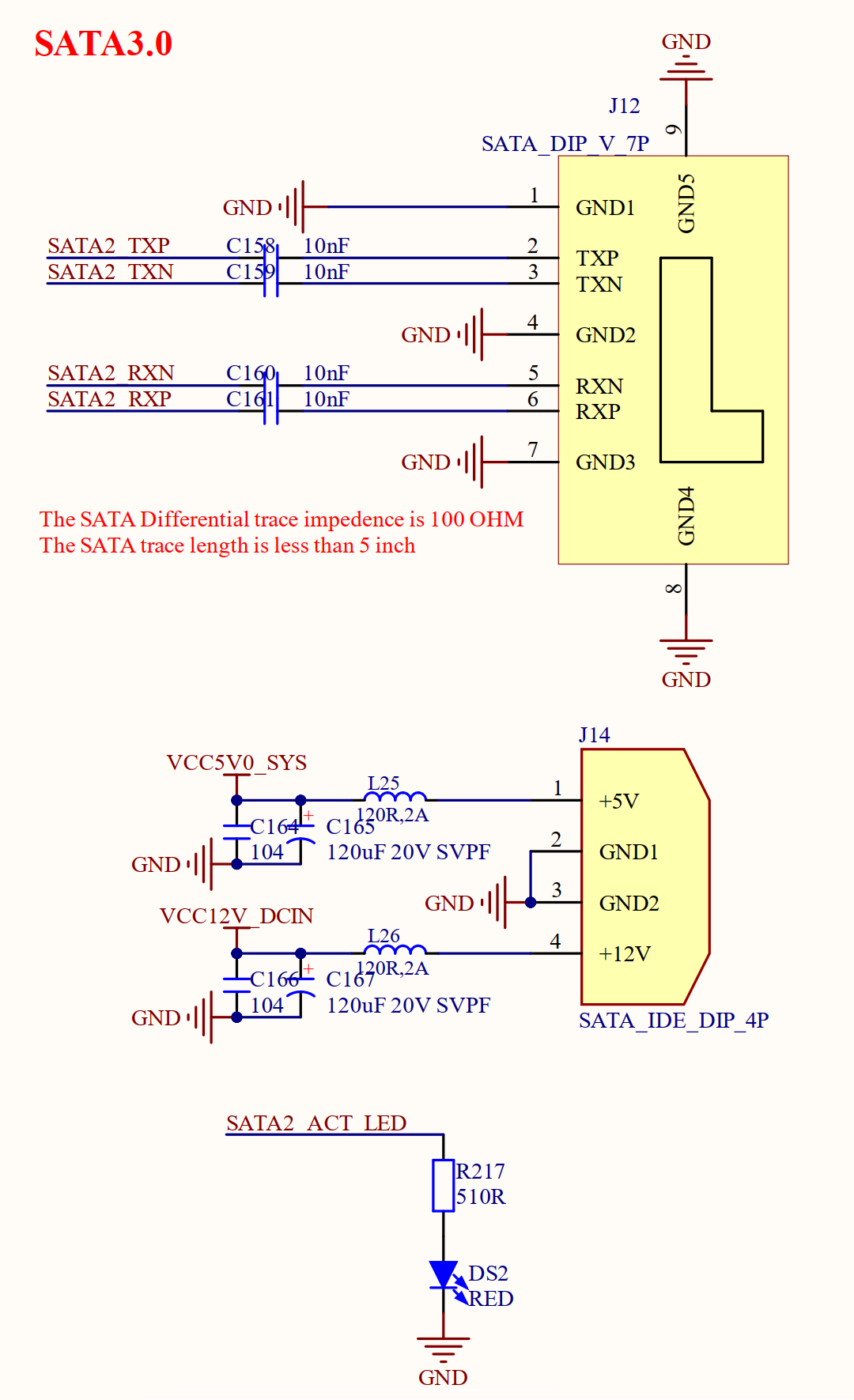
ATK-DLRK3568开发板板载一个SATA接口,可以用来连接SATA机械硬盘,SATA接口原理如图3.9.1所示:

图3.9.1 SATA接口电路
图3.9.1中J12是SATA硬盘接口,用于连接SATA硬盘,J14是硬盘的电源接口,用于给硬盘供电。
ATK-DLRK3568开发板板载一个SATA接口,可以用来连接SATA机械硬盘,SATA接口原理如图3.9.1所示:

图3.9.1 SATA接口电路
图3.9.1中J12是SATA硬盘接口,用于连接SATA硬盘,J14是硬盘的电源接口,用于给硬盘供电。